知识产权声明:为规避潜在侵权风险,若本平台展示内容涉及任何已登记专利或知识产权成果,请相关权利人务必于知悉后立即与我方联系“联系方式详见网页底部”,我方将在核实信息后依法采取内容修正、权利标注或下架处理。我们始终恪守知识产权保护原则,愿与各界合作伙伴共建良性商业生态,携手推进合规化运营。
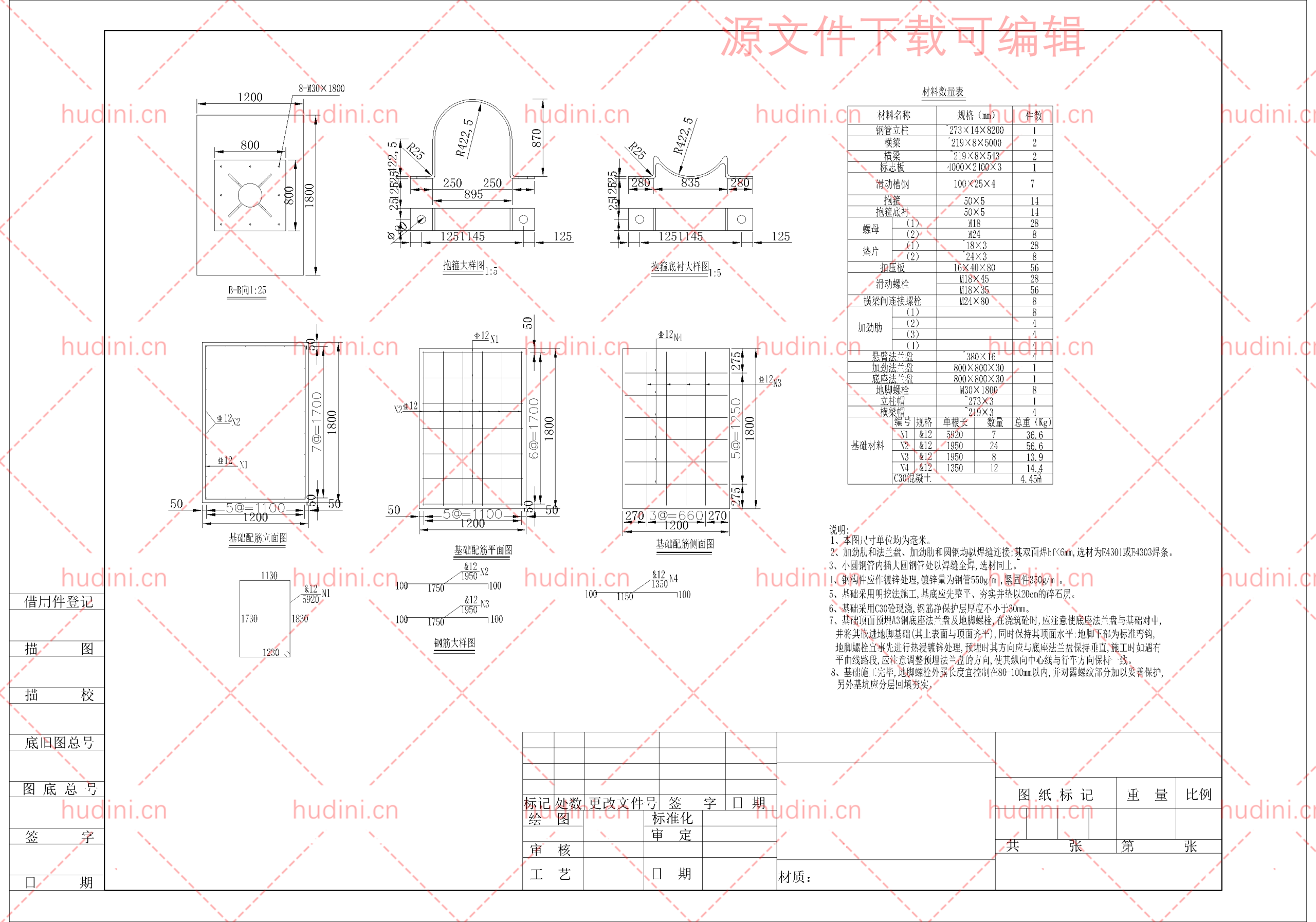
标识牌8米双横臂CAD001
-
免费下载或者VIP会员资源能否直接商用?本站所有资源版权均属于原作者所有,这里所提供资源均只能用于参考学习用,请勿直接商用。若由于商用引起版权纠纷,一切责任均由使用者承担。更多说明请参考 VIP介绍。
-
提示下载完但解压或打开不了?最常见的情况是下载不完整: 可对比下载完压缩包的与网盘上的容量,若小于网盘提示的容量则是这个原因。这是浏览器下载的bug,建议用百度网盘软件或迅雷下载。 若排除这种情况,可在对应资源底部留言,或联络我们。
-
找不到素材资源介绍文章里的示例图片?对于会员专享、整站源码、程序插件、网站模板、网页模版等类型的素材,文章内用于介绍的图片通常并不包含在对应可供下载素材包内。这些相关商业图片需另外购买,且本站不负责(也没有办法)找到出处。 同样地一些字体文件也是这种情况,但部分素材会在素材包内有一份字体下载链接清单。
-
付款后无法显示下载地址或者无法查看内容?如果您已经成功付款但是网站没有弹出成功提示,请联系站长提供付款信息为您处理
-
购买该资源后,可以退款吗?源码素材属于虚拟商品,具有可复制性,可传播性,一旦授予,不接受任何形式的退款、换货要求。请您在购买获取之前确认好 是您所需要的资源




标识标牌 路名牌 F杆 双横臂 
评论(0)